一、安装及外形尺寸
1、产品描述
1.1 YZR和YZ系列是最新的设计,具有大过载能力和高机械强度,特别适合驱动各种类型的冶金机械和起重机和/或其他类似设备。YZR系列为绕线转子电机,YZ系列为笼型电机。
1.2 电动机可在以下环境条件下正常运行:
(1) 冷却介质温度不超过60摄氏度(用于治金目的的电机)或40摄氏度(适用于起重机用途的电机)
(2) 标高不超过1000m
(3) 持续/频繁且明显的机械振动和冲击
1.3 电动机在下列负载条件下可以正常工作:
(1)频繁启动和倒车
(2)频繁的电制动或机械制动
1.4 电动机的额定频率为50Hz,额定电压为380V
1.5 连接:132kW及以下定子绕组以连接,其余定子绕组以G连接
1.6 型号命名

1.7 输出功率和速度
基本负载类型(S,40%)的额定输出和同步速度范围如表1所示。(笼式电机制造,粗线块规格)表(2)
1.8 对于YZR系列电动机,当使用基本负载型时,表2中给出了额定电压下最大转矩与额定转矩之比的保证值表(2)

1.9 对于YZ系列电动机,当使用基本负载型时,表3给出了额定电压下最大转矩和堵转转矩与额定转矩之比的保证值

2、电机工程及技术参数
2.1电动机的额定电压为380V,额定频率为50Hz。
2.2电机适用于间歇性周期性负载。根据不同的负载,有以下负载类型:
2.21间歇周期性占空比类型(S3)是一系列相同的占空比,每个占空比包括一段恒定负载下的工作时间和一段休息和断电时间(见图1)。在这种占空比中,每个循环的启动电流不会显著影响电机的温升:每10分钟作为一个循环,即每小时启动6次。
2.2.2带启动的间歇周期工作型(S4)一系列相同的占空比,每个占空比包括一个重要的启动周期、一个恒定负载运行周期以及一个休息和断电周期(见图2)。每小时启动次数分别为150、300和600次。
2.2.3带电制动的间歇周期性占空比(S5)这是一系列相同的占空比,每个占空比包括一个启动周期、一个恒载运行周期、一段快速电制动周期以及一段休息和断电周期(见图3)。
2.3在选择电机时,需要将不同类型的起动和制动状态根据等效关系减少为等效起动次数。然后将其用于确定电动机的额定值。表4给出了一个典型的简化示例。
还原法:
减速方法四次点动(最终速度不超过额定速度的25%)相当于启动一次电制动(制动到1/3额定速度)一次相当于启动0.8次E
2.4电机的基本工作类型为S3-40%。每种工作类型的技术数据见表5。电机铭牌上的信息通常是根据基本工作类型提供的,也可以定制信息。如果电机需要在S2-S5以外的负载类型下运行,则有必要咨询制造商


电机工程及技术参数表(5-1)
电机工程及技术参数表(5-2-1)
电机工程及技术参数表(5-2-2)
3、电动机结构
3.1绝缘等级
电机有两个绝缘等级,即F级和H级。F级适用于冷却介质温度不超过40℃的情况,而H级适用于冷却介质温度不超过60摄氏度的情况。任何一种绝缘等级的电机与另一种绝缘级别的电机具有相同的电气性能。
3.2防护等级
通用电机的防护等级为1P44,冶金电机的防护级别为1P54。
3.3冷却方式
对于机架尺寸112132,自然冷却,对于机架尺寸160355,(C0041),内置风扇冷却(1C0141)对于框架尺寸400,外部风扇冷却,带内部循环通风,(C0151)
3.4关于结构和安装安排,见表6

3.5可根据用户尺寸或要求提供轴扩展
3.6驱动类型:电机设计用于联轴器或正齿轮驱动。使用正齿轮传动时,小齿轮的节距直径不应小于轴延伸部分的两倍
3.7定子的接线盒安装在机架的顶部,可以在机架的两侧进行连接。对于转子。可以在盖子的任一侧进行连接
3.8电刷类型为)201,其规格见表7

3.9轴承类型见表8

3.10电机零部件名称见图4

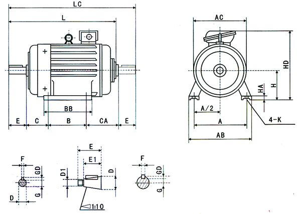
4、安装外形尺寸
表9YZR系列IM安装外形尺寸
4.1YZRM1I12-400整体安装尺寸见表
4.2YZIM112-250的总体安装尺寸见表10
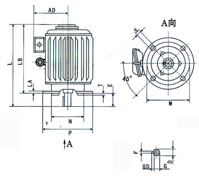
4.3YZR1m3安装方式外形及安装尺寸见表二
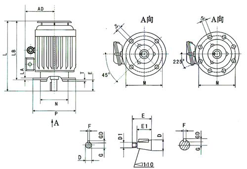
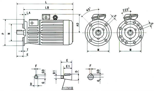
4.4YZIM3安装方式的总体安装尺寸见表12
表10 YZ IMI系列安装外形尺寸

表11 YZR IM.3001IM3003和IM3013尺寸表

表12YZM3001,IM3003和IM3011,Im3013尺寸表












